Levolta Banner

Brauchen sie den Rat eines Entwicklungsingenieurs mit ein paar grauen Haaren?

Willkommen bei Levolta

Erich Lerch - Dipl. El. Ing. FH

Erich Lerch – Eine Berufung zum Ingenieur

Schon seit meiner Jugend fasziniert mich das „Machen“. Heute blicke ich auf über 40 Jahre Erfahrung in der Elektronikentwicklung zurück.

Vollständigen Lebenslauf lesen

Beratung, Umsetzung, Projektmanagement, Schulung

Ingenieurleistungen aus Leidenschaft & Erfahrung

Präzision in Serie

Von 4-Bit-Assembler für Victorinox bis zur Massenfertigung im sechsstelligen Bereich.

Sicherheit & Normen

Erfahrung mit FDA-Standards und EMV-Zulassungen in der Medizintechnik (Roche).

High-End Sensorik

Weltmarktführende Variometer-Technik mit einer Präzision von unter 2cm/s für die Luftfahrt.

Alle Referenzprojekte ansehen

Dienstleistungen im Detail

Letzte Blogbeiträge

Max Eyth Analyse
16. März 2026 • 4 Min. Lesezeit

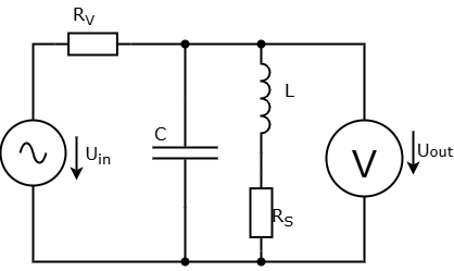
Güte einer Induktivität

Messung der Güte einer Induktivität mit einem Schwinkgkreis.

Beitrag lesen →
Edit Symbol Analyse
18. März 2026 • 3 Min. Lesezeit

Komplexere Bauteile in LTspice V.24 importieren

Eine kurze Beschreibung, wie man Drittanbieter Komponenten in LTspice V.24 importiert.

Beitrag lesen →
Revox Capstan Motor Reparatur
02. Feb 2026 • 8 Min. Lesezeit

Revox Tapedeck B215

Schritt-für-Schritt Analyse und Instandsetzung eines Kapstan-Motors – ein Klassiker der Audiotechnik.

Beitrag lesen →
Mini Tesla Coil Analyse
15. Feb 2026 • 2 Min. Lesezeit

Herleitung und Messung von Übertragerparametern

Übertrager mit asymmetrischen Streuflüssen am Beispiel einer Mini-Tesla Spule.

Beitrag lesen →
JFET-Stromquelle Analyse
21. April 2026 • 5 Min. Lesezeit

JFET Stromquelle: Herleitung & Vorselektion

Auslegung einer Stromquelle mit N-Channel JFET.

Beitrag lesen →