Ein ungewöhnlicher Spannungsverdoppler

10. Januar 2025 von Erich Lerch

Als Starterschaltung für eine Fluoreszenzlampe (Neonröhre). Im Englischen wird diese Anwendung FL-Ballast genannt. Normalerweise besteht der FL-Ballast aus einer Induktivität und einem Glimmstarter. Hier wurde eine ungewöhnliche Spannungsverdopplerschaltung eingesetzt

Werkstattlampe mit Fluoreszenzröhre und Zündschaltung

Werkstattlampe mit Fluoreszenzröhre und Zündschaltung. © Erich Lerch 2025

Fluoreszenzlampe Zündschaltung Bestückungsseite

Fluoreszenzlampe Zündschaltung Bestückungsseite. © Erich Lerch 2025

FL Zündschaltung (FL-Ballast) mit Knotennummerierung

FL Zündschaltung (FL-Ballast) mit Knotennummerierung. © Erich Lerch 2025

In meiner Werkstatt lag schon lange diese Stablampe herum. Sie enthält eine Fluoreszenzlampe (Neonröhre) und ist mit 230V/8W angeschrieben. Weil sie so leicht ist, interessierte mich, wie die FL-Röhre gezündet wird.
Um eine Fluoreszenzlampe zu zünden, braucht es eine hohe Spannung, und wenn sie gezündet hat, sinkt die Spannung über der FL-Röhre und der Strom muss begrenzt werden und zwar auf einen Wert, der dann der Leistung der Röhre entspricht.
Wie man im Bild oben sieht, wird diese Funktion lediglich durch Dioden, Kondensatoren und Widerstände erreicht. Die Funktionsweise erschliesst sich nicht so direkt aus dem Schema, das ich herausgezeichnet habe.
Um von so einfachen Schaltungen das Schema zu erhalten, bezeichnet man alle Leiterbahnen die zusammenhängen, mit einer Knotennummer. Nun kann man schauen, welche Bauelemente von einem Knoten weggehen. Aus einem wirren Haufen entsteht dann nach mehrmaligem umzeichnen ein lesbares Schema.

FL_Ballast

Die herausgezeichnete Schaltung des FL-Ballasts, © Erich Lerch 2025

Ich vermutete hinter den Dioden und Kondensatoren eine Spannungsvervielfacherschaltung. Das macht Sinn, weil die Zündspannung einer FL-Röhre meistens über der Netzspannung liegt.

Auf Wikipedia sieht man die drei üblichen Prinzipien für eine Spannungsvervielfachung. Wkipedia Spannungsverdoppler

Spannungsverdopplerschaltungen

Villard Spannungsverdoppler

Villard Spannungsverdoppler, © Erich Lerch 2025
Die Villard Schaltung ist das Grundelement der Spannungsvervielfacher.

Greinacher Spannungsverdoppler

Greinacher Spannungsverdoppler © Erich Lerch 2025
Die Greinacherschaltung ist die am häufigsten gebrauchte Schaltung für eine Spannungsverdoppelung.

Delon Spannungsverdoppler

Delon Spannungsverdoppler © Erich Lerch 2025
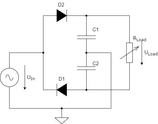
Die Delon Schaltung ähnelt zumindest der Zündschaltung der Werkstattlampe, unterscheidet sich aber dadurch , dass der Mittelpunkt der Kondensatoren auf dem GND (bzw. Nulleiter) liegt.

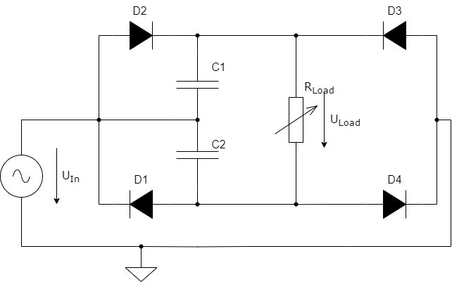
Delon Spannungsverdoppler Spezial

Delon Spannungsverdoppler Spezial © Erich Lerch 2025
Auf einer Webseite habe ich diese Spezial Delon – Schaltung gefunden. Sie entspricht einigermassen der Schaltung der FL Zündung.

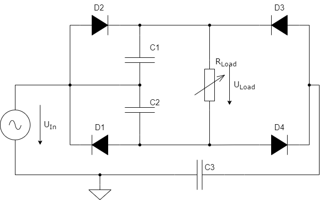
Delon Spannungsverdoppler mit Seriekondensator

Delon Spannungsverdoppler Spezial mit Seriekondensator © Erich Lerch 2025
Die Schaltung hat aber noch einen Kondensator C3 in Serie zur Diodenbrücke..

Simulation der Schaltungen

Um die Wirkungsweise der verschiedenen Schaltungen zu vergleichen, habe ich sie in LTspice simuliert und mit den Werten etwas herumgespielt. Um die Kurven zu erhalten habe ich LTspice den Befehl .meas eingefügt und die Resultate aus dem Log in EXCEL eingefügt und so die Kurven erzeugt.

Die LTspice Dateien sind am Schluss angefügt.

Ausgangskennlinien und Leistung

Ausgangskennlinien

Ausgangskennlinien verschiedener Spannungsverdopplerschaltungen © Erich Lerch 2025

Die Kurve mit der Bezeichnung (Lamp)2.2u/3.3u ist die Zündschaltung
Wie man sieht, entspricht die Ausgangskennlinie der Delon Spezialschaltung mit Seriekondensator der Ausgangskennlinie der FL Zündung.
Bei der gleichen Schaltung ohne Seriekondensator geht die Spannung nur auf 200V herunter.
Mit dem Seriekondensator sinkt sie bei höherer Belastung auf unter 100V.

Leistungen

Leistung als Funktion der ohmschen Last © Erich Lerch 2025
In der Kurve für die Leistung über der Lampe sieht man, dass unter etwa 30kOhm die Leistung relativ konstant bleibt.
Ohne Seriekondensator steigt die Leistung bei kleineren Lastwiderständen stark an. Der Seriekondensator hat also eine Strom-, bzw. Leistungsbegrenzende Wirkung.

Spannungen

Die Kurve mit der Bezeichnung (Lamp)2.2u/3.3u ist die Zündschaltung

Ströme

Die Kurve mit der Bezeichnung (Lamp)2.2u/3.3u ist die Zündschaltung

Damit erfüllt die Schaltung optimal die geforderte Funktion, nämlich die FL-Röhre mit einer hohen Spannung von fast 600V zu zünden und dann den Strom und die Spannung so zu begrenzen, dass die Leistung über einen weiten Bereich konstant gehalten wird.
Ein Nachteil dieser Schaltung ist, dass die Lampe mit Gleichspannung betrieben wird. Das führt zur Abnutzung der Anode. Man sieht das an der dunklen Verfärbung an der rechten Seite. Die Folge war auch, dass die FL-Röhre nicht mehr zuverlässig zündete.

LTspice Simulationen herunterladen

Hier können Sie die in diesem Artikel verwendeten Simulationsdateien direkt öffnen:

Der .MEAS Befehl lautet so:

MEAS Befehl

Der MEAS Befehl

Nach der Simulation erreicht man mit CTRL+L das Spice Output Log.

Output Log mit Messresultaten

Output Log mit Messresultaten

Diese Resultate habe ich mit CTRL+C und CTRL+V in EXCEL übertragen um die Messkurven zu erhalten. Falls jemand die EXCEL Datei haben möchte, stelle ich sie gerne zur Verfügung. (e-mail)